[最も好ましい] adxl345 使い方 157157-Adxl345 使い方
Arduino and ADXL345 GY291 example by shedboy71 19th August 16 The ADXL345 is a small, thin, low power, 3axis accelerometer with high resolution (13bit) measurement at up to ±16 g Digital output data is formatted as 16bit twos complement and is accessible through either a SPI (3 or 4wire) or I 2 C digital interface利用、編集、再配布等が自由に行えますが、著作権表示の改変は禁止します。 ・I2C接続の加速度センサの値を読み取る コンパイル方法 make または gcc Wall O1 raspi_adxl345c soft_i2co o raspi_adxl345 使い方 /raspi_adxl345 デフォルトで動作 3軸デジタル加速度計ユニット(ADXL345) 商品 3Axis Digital Accelerometer Unit (ADXL345) 上記の商品です。300円弱(25ドル)で購入できるのですが、なぜか日本では販売されていません。まあ、加速度内蔵しているコアが多いですもんね。 UIFlowでの使い方

M5stack 3軸加速度センサーユニット U056 Lang Ship
Adxl345 使い方
Adxl345 使い方-す。adxl345 の詳細な仕様については、データシートをご覧に なるか、wwwanalogcom にアクセスしてください。 図 1 に adxl345のシステム・ブロック図、図 2 にピン定義を示します。 int1 int2 cs sda/ sdi/sdio sdo/alt address scl/sclk vs vdd i/o digital filter 32lead fifo adc adxl345 3Increase the number of digital I/O pins by connecting a MCP I/O expander chip to the Raspberry Pi® hardware 次の MATLAB コマンドに対応するリンクがクリックされました。 コマンドを MATLAB コマンド ウィンドウに入力して実行してください。 Web ブラウザーは MATLAB コマン




加速度センサー入門 第1回 加速度データを取得してみよう 半導体事業 マクニカ
The ADXL345 is a digital accelerometer that supports both SPI and I2C mode, with adjustable data rata and 'range' (/2/4/8/16g) The Adafruit_ADXL345 driver takes advantage of I2C mode to reduce the total pin count required to use the sensor Raspberry Pi ADXL345 Accelerometer Setup In this part of the tutorial, we will be showing you how you can connect the digital ADXL345 accelerometer to the Raspberry Pi As the ADXL345 is a digital sensor, you won't have to deal with any additional circuitry such as an analog to digital converter Being digital means you can wire the sensor そのため、i2c通信を使います。 adxl345の使い方を簡単にまとめてみます。 ・adxl345を測定モードにする power_ctl(0x2d)のd3をセット。 ・測定レンジを変える data_format(0x13)のd0,d1で測定レンジを変えられる。 d0 = 0, d1 = 0 ±2g d0 = 1, d1 = 0 ±4g d0 = 0, d1 = 1 ±8g d0 = 1, d1
3軸加速度センサーADXL345とRaspberryPiを使用してSPI通信で加速度データを取得する方法を紹介します。 MCP3425(アナログデジタル変換)の使い方 TSLの使い方I2C通信 3軸加速度センサー (ADXL345)の使い方 SPI版 Arduino XYZの3軸の加速度 (m/s 2 )を取得できる「ADXL345」の使い方です。 ※プログラム上ではm/s 2 を「m/s^2」と表記しています。 この記事はADXL345のSPI接続版です。 I2C接続版及びスケール係数 (m/s 2 )の算出方 今回使用するのはadxl345加速度センサです!日本で秋月にて購入をしましたadxl345を使ってi2cで加速度を図ってみたいと思います。 配線 配線ですが、秋月で購入の場合は主にadxl345の4個所に配線すればいい感じでした。 しかも、内部抵抗が10kΩはいっているので特にプルアップの回路にしなくても
Analog Devices 3axis accelerometer I2C interface This site uses cookies to store information on your computer By continuing to use our site, you consent to our cookiesGROVE I2C 三軸加速度センサー ADXL345搭載 1,円 SeeedStudio製1700までのご注文を翌日お届け、3,000円以上購入で送料無料。センサーICにADXL345を使用した3軸加速度センサー基板です。インターフェースはI2Cです。GROVE Systemとは?さまざまな電子部品を統一した外形の基板に実装し単にADXL345h 7514 Revisions Annotate Repository toolbox Export to desktop IDE Repository details Type Library Created Imports 87 Forks 0 Commits 1 Dependents 0 Dependencies 0 Followers 3 The code in this repository is Apache




3軸加速度センサモジュール Adxl345 を使ってみる 篠ん爺のさんぽ道 遊び心の旅




第28回 3軸加速度センサーadxl345 Geotechlab Workshopのブログ
3軸加速度センサモジュール ADXL335 aeadxl335 通販コード k 発売日 メーカーカテゴリ 株式会社秋月電子通商 チップ型3軸加速度センサーadxl335を基板にはんだ付けし、使いやすくモジュール化しました。 I2C通信の使い方 鍵かけ忘れ検知システムを作る 3軸加速度センサー(ADXL345)の使い方 I2C版 Arduino ESP32PWMでモーターを制御する方法 めっちゃ参考にしました、ありがとうございます。 elseの使い方について else文があるfor文は、次のように記述します。 for 変数 in 繰り返すオブジェクト 繰り返す処理1 繰り返す処理2 ・・・ else 実行する処理1 実行する処理2 ・・・




Grove I2c 三軸加速度センサー Adxl345搭載 Seeedstudio製 電子部品 半導体通販のマルツ




Amazon Gazechimp Gy 291 Adxl345デジタル加速度重力傾斜モジュール 3軸加速度センサー センサ 産業 研究開発用品 通販
ADXL345にアクセスを行う関数の使い方を説明します。 ans = acceler_Init( ) ADXL345の初期化を行う処理です。 分解能は10bitモードで出力、使用するレンジは±2Gで出力データレートは800Hz、 またFIFOは使用しないで初期化しています。 当記事『Arduinoセンサの使い方』では、Arduino Unoを使用したサンプルプログラムを解説してきました。 やはり、たくさんの種類のあるArduinoボードの中でも、最も基本的なエディションのArduino Unoがおすすめなのですが、Arduino Unoと電子部品を組み合わせたキットも存在しまAdxl345(アナログデバイセス)の出力ピン ・プルアップ抵抗は基板に搭載。 ・センサ仕様より 電源電圧範囲 ~36v → 33vで使用する。 クロック用 不使用 データ用 アドレス セレクト用 gnd 電源(33v) センサの使用する電圧値と



Github Hotstaff Tsurido Sketch And Client Program Of Hit Detection Device For Surf Casting Using M5stickc Arduino




M5stack 3軸加速度センサーユニット U056 Lang Ship
私には、加速度などという難しいことは分かりません。今回は、3軸加速度センサモジュール adxl345 がどのような状態の時、どのようなデータを出力するのかをみてみます。私の所有している製品です。大陸調達品で、いずれも¥160程度です。 ・gy291 adxl345 3軸デジタル重力センAdxl355の使い方 アプリケーション spi接続 等の参考になると思います。 ch1:黄色 _cs ch2青色 miso ch3紫色 clk ch4緑色 mosi アドレス0番地のデータ0xadを読み込んでいます。 回路図加速度センサadxl345 搭載モジュール スマホにも入っている超定番 身近な例では,加速度センサはスマートフォン本体 の向きや本体の移動方向,移動距離を計測するために も用いられています.本体の向きは,重力の加わる方




Raspberry Pi でラズパイマウスを動かしてみた Robotry




Arduino 3軸加速度センサ Adxl345 の使い方 Spiceman
ArduinoのすすめArduinoConfArduinoMonitor Analog Devices の3軸加速度センサ ADXL362 を使う ADXL362 は Analog Devices 製のSPI接続の3軸加速度センサICです。ADXL345の使い方I2C通信 / SPI通信 センサーの使用例 アナログ・デバイセズ社の3軸加速度センサーADXL345とRaspberryPiを使用して加速度データを取得する方法を紹介使い方の説明 温度センサ LM75A 0x4F A0=H (W0x9E R0x9F) A0~を "H"に設定 デフォルト 0x48 使い方の説明 3軸加速度センサ ADXL345 0x53 (W0xA6 R0x) GY291 使い方の説明 RTC リアルタイムクロック DS3231 0x68 (W0xD0 R0xD1) ZS042 使い方の説明 I2Cメ




Arduinoでデジタル加速度センサーの情報を取得 スマートライフを目指すエンジニア



64章 3軸加速度センサモジュール adxl345 spi iic
Arduinoで加速度センサを利用してみる では次にArduinoで利用してみましょう。 センサを動かすために必要な電源電圧も25V〜525Vなので、Arduino UNOのVcc (5V)出力で直接まかなうことが可能です。 KXR9450データシートを参照 今回利用するセンサでは、8本端子が ADXL345 Datasheet Datasheet 計測可能な値 種類 概要 加速度 3軸、±2g / ±4g / ±8g / ±16g(最大13ビットの分解能まで対応) タップ シングルタッアップロード=プリント開始という使い方をしたいなら"print=true"とすればいい。 スマートプラグによる電源管理 Klipper環境のWeb APIを司るMoonrakerは、TPLinkのスマートプラグによる電源管理に対応している。powerの項を参照。




Iot




3軸加速度センサー Kxr94 50 の使い方 Arduino
振動検知の3軸加速度センサADXL345の使い方 Arduinoで3軸加速度センサーを使ってみましょう。 振動検知の3軸加速度センサ、ADXL345です。 3軸の加速度を取り出すのは元より動かされたり、衝撃を受けたことを0,1で取り出すことができます。 つまり、衝撃を軸加速度センサモジュール ADXL345(SPI/IIC)まとめ (1)軸加速度センサモジュール ADXL345(SPI/IIC)のサンプルプログラムを正常に動作することができました。 (2)sd0端子をgndに接続しないと正常に動作しません。スピンモードの使い方 スピンモードとは twelite 2525aの角度を親機(受信機)に送信することができます。物の角度を計測するときやアプリのユーザーインターフェイスなどとして使用するのに便利です。 親機(受信機)は「超簡単!




M5stack 3軸加速度センサーユニット U056 Lang Ship




加速度センサー入門 第1回 加速度データを取得してみよう 半導体事業 マクニカ
ADXL345搭載三軸加速度センサモジュール アナログデバイセズ社のADXL345を搭載した、三軸加速度センサモジュールです。 デジタル出力であり、SPIまたはI2Cでアクセスすることができます。 各軸、13ビットの分解能です。 動作電圧V36Vです。 詳しくは概要 環境 ADXL345ライブラリ のインストール 配線 スケッチ作成 動作確認 最後に 参考サイト 概要 ADXL345 という加速度センサを Arduino の試してみました ADXL345 は X, Y, Z 軸方向に対してどれ3軸加速度センサー (ADXL345)の使い方 I2C版 Arduino XYZの3軸の加速度 (m/s 2 )を取得できる「ADXL345」の使い方です。 加速度の単位は「m/s 2 」 (メートル毎秒毎秒)で1秒間に1メートル毎秒 (m/s)の加速度と定義されています。 ※プログラム上ではm/s 2 を「m/s^2」と




Grove Iot スターターキット For Soracom で加速度センサーを使う Qiita



Pic12f12使い方 加速度センサ Adxl345 をspiで接続実験




Eval Adxl345z 評価用ボード アナログ デバイセズ




Adxl345 データシートおよび製品情報 アナログ デバイセズ




Adxl375モジュール説明書 Manualzz



Pic16f17使い方 加速度センサ Adxl345 で傾斜角度を測定




306 Adxl345 I2c Fab蔵 Docs




Seeeduino Xiaoでデジタル加速度センサーの情報を取得 スマートライフを目指すエンジニア




Armadillo 640 Pythonでi2c通信 Armadillo




Nekolab 加速度センサーをarduino使って読み取ってみる




2 Adxl345 Fab蔵 Docs




Grove I2c 三軸加速度センサ Adxl345搭載 スイッチサイエンス




即納最大半額 Adeept Rfidスターターキット Raspberry Pi 3 Model B B ステッピングモーター Adxl345 40ピン Gpio拡張ボ 希少 大人気 Carlavista Com




Iot




ヤフオク Hiletgo R 2個セット Gy 291 Adxl345 3軸デジタ




即納最大半額 Adeept Rfidスターターキット Raspberry Pi 3 Model B B ステッピングモーター Adxl345 40ピン Gpio拡張ボ 希少 大人気 Carlavista Com




L3gdhの使い方 I2c通信 初心者のためのセンサーと測定入門




M5stack 3軸加速度センサーユニット U056 Lang Ship




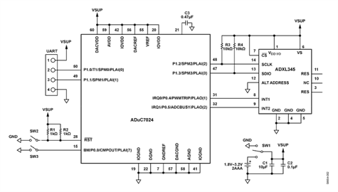
Cn0133 実用回路およびリファレンス回路情報 アナログ デバイセズ




Bi Directional Logic Level Converter Hookup Guide Learn Sparkfun Com




315mpdata Table Of Contents




センサーの使用例 初心者のためのセンサーと測定入門



安心買い保障できるのhv トリムシール ポイント10倍 新作モデルセール の




スピンモードの使い方 Mono Wireless Com




Arduino 3軸加速度センサ Adxl345 の使い方 Spiceman



Pic16f17使い方 加速度センサ Adxl345 で傾斜角度を測定



64章 3軸加速度センサモジュール adxl345 spi iic




3軸加速度センサー Adxl345 の使い方 I2c版 Arduino




306 Adxl345 I2c Fab蔵 Docs




即納最大半額 Adeept Rfidスターターキット Raspberry Pi 3 Model B B ステッピングモーター Adxl345 40ピン Gpio拡張ボ 希少 大人気 Carlavista Com




ヤフオク Hiletgo R 2個セット Gy 291 Adxl345 3軸デジタ



Pic16f17使い方 加速度センサ Adxl345 で傾斜角度を測定




I2c の使い方 Grove 編 Chirimen Open Hardware




Netmf I2c 接続のセンサーモジュール活用例 三軸加速度センサー Adxl345 の場合 技術との戯れ




Arduino 3軸加速度センサ Adxl345 の使い方 Spiceman




加速度センサー入門 第2回 加速度センサーの割り込み機能を使ってみよう 半導体事業 マクニカ



国内正規品優先配送 Hxibog アウトドアベンチ An07mgyc225 Angelsnow




Adxl345 データシートおよび製品情報 アナログ デバイセズ




I2c の使い方 Grove 編 Chirimen Open Hardware



Pic12f12使い方 加速度センサ Adxl345 をspiで接続実験




加速度センサー入門 第1回 加速度データを取得してみよう 半導体事業 マクニカ



Sku Rb 02s037 Adxl345数字三轴加速度计 Alsrobot Wiki




Bi Directional Logic Level Converter Hookup Guide Learn Sparkfun Com




Netmf I2c 接続のセンサーモジュール活用例 三軸加速度センサー Adxl345 の場合 技術との戯れ




Interfacing Adxl345 Accelerometer With Raspberry Pi




加速度センサー入門 第6回 アクティブ インアクティブ機能を使ってみよう 半導体事業 マクニカ




M5stack 3軸加速度センサーユニット U056 Lang Ship




Adxl345 データシートおよび製品情報 アナログ デバイセズ




3軸加速度センサー Adxl345 の使い方 I2c版 Arduino




Esp32 Wroom 32eで加速度センサーの情報を取得する スマートライフを目指すエンジニア




3軸加速度センサー Adxl345 の使い方 I2c版 Arduino




Amazon Gazechimp Gy 291 Adxl345デジタル加速度重力傾斜モジュール 3軸加速度センサー センサ 産業 研究開発用品 通販




振動検知の3軸加速度センサadxl 345の使い方 白の玉手箱




Netmf I2c 接続のセンサーモジュール活用例 三軸加速度センサー Adxl345 の場合 技術との戯れ




Iot




Arduinoでデジタル加速度センサーの情報を取得 スマートライフを目指すエンジニア




Cn0133 実用回路およびリファレンス回路情報 アナログ デバイセズ




Iot




加速度センサー入門 第2回 加速度センサーの割り込み機能を使ってみよう 半導体事業 マクニカ




Interfacing Adxl345 Accelerometer With Raspberry Pi




3軸デジタル重力センサーアクセラレーションモジュール傾斜センサ用arduino Adxl345 Sensor Digital Sensors For Arduinosensor Accelerator Aliexpress



加速度センサーを使ったklipperの調整 Kingroon Kp3s情報



加速度センサを使って犬用wifi歩数計を作ってみた Qiita



Pic16f17使い方 加速度センサ Adxl345 で傾斜角度を測定




Arduino Wire I2c ライブラリの使い方 Spiceman



64章 3軸加速度センサモジュール adxl345 spi iic




Esp32 Wroom 32eで加速度センサーの情報を取得する スマートライフを目指すエンジニア




Grove I2c 三軸加速度センサー Adxl345搭載 Seeedstudio製 電子部品 半導体通販のマルツ




I2c の使い方 Grove 編 Chirimen Open Hardware




3軸加速度センサー Adxl345 の使い方 I2c版 Arduino



64章 3軸加速度センサモジュール adxl345 spi iic



64章 3軸加速度センサモジュール adxl345 spi iic



Armadillo 640 Pythonでi2c通信 Armadillo




I2cジャイロ 加速度 地磁気 気圧センサー用ライブラリ その他 過去ファイル がじぇっとるねさすコミュニティ Renesas Rulz




Adxl345 データシートおよび製品情報 アナログ デバイセズ




Interfacing Adxl345 Accelerometer With Raspberry Pi




戸田プロダクション 今回の Adxl345 モジュールはこれ 例によって他社製仕様書からセンサ仕様のみ抜粋すると このセンサはxyz軸の静的加速度と動的加速度が計測可能で デジタル出力データは16ビット 2の補数 形式 spiもしくはi2c




加速度センサー入門 第3回 Fifo機能を使ってみよう 半導体事業 マクニカ




Amazon Grove I2c 三軸加速度センサ Adxl345搭載 電子ラーニングトイ おもちゃ




De0 Nanoで Niosから加速度センサーadxl345にアクセスする 猫式会社neco Tech




振動検知の3軸加速度センサadxl 345の使い方 白の玉手箱




加速度センサー入門 第5回 タップ検出機能を使ってみよう 半導体事業 マクニカ



Iotプロジェクトビルダー Cayenne を試してみた まだ途中 ネクストステップの実験室



Pic16f17使い方 加速度センサ Adxl345 で傾斜角度を測定




振動検知の3軸加速度センサadxl 345の使い方 白の玉手箱




Raspberry Pi でラズパイマウスを動かしてみた Robotry
コメント
コメントを投稿